

L’emplacement de l’église piévane San Pietro di Lioli a été retrouvé dans les années 1970 par l’Association archéologique de Balagne.
Située dans une propriété privée, l’église se dessine encore avec ses installtions liturgiques : autel, chancel et cuve baptismale.
La commune de Calenzana, très étendue, recèle les vestiges presque totalement oubliés d’une ancienne église piévane dont le nom n’est pas repris dans la liste des pieve mentionnées par Mgr Giustiniani (1531). Le titre de cette pieve apparaît pourtant dans un registre de 1537 d’actes notariés de la confrérie de Saint-Antoine de Moncale mentionnant Prete Bartolomeo pievano di Lioli e Paratell . Le lieu-dit Paradella apparaît encore aujourd’hui dans le nom d’un camping près du hameau de Suare.
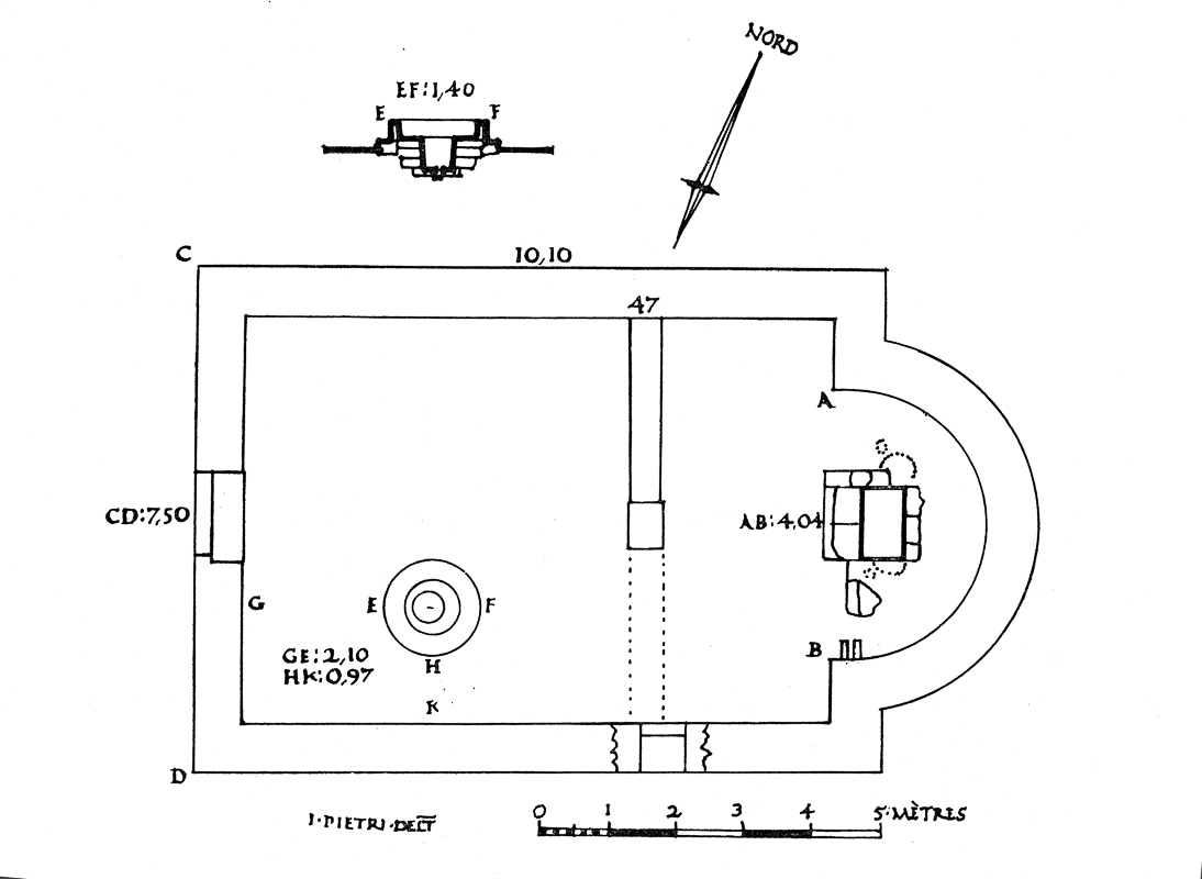
L’église se dressait sur un plateau compris entre deux ruisseaux, le Lioli et l’Acqua Viva, ayant en arrière-fond le cirque de montagne recouvert vers l’Ouest par la forêt de Bonifatu. Bien que dégagés et fouillés en 1970-1973 par l’Association archéologique de Balagne , les vestiges sont aujourd’hui recouverts par la végétation mais un rapide dégagement avec l’autorisation du propriétaire a fait réapparaître clairement le tracé de l’édifice à nef unique de 8,60 m de long sur 5,99 m de large dont les murs sont conservés sur une hauteur variant de 1,50 m à 2 m. Orientée légèrement vers le Nord-Est, l’abside semi-circulaire repose, comme les autres murs, sur un soubassement fait de petites pierres peu taillées. Ce soubassement est légèrement plus large que les murs eux-mêmes. L’appareillage de ceux-ci est composé à l’extérieur de belles dalles montées à joint vif tandis qu’à l’intérieur de l’édifice les blocs sont plus petits avec un blocage des pierres et de terra rossa.
Deux portes donnent accès à la nef en très net contrebas par rapport au niveau du sol extérieur. La porte principale, située dans la façade, a conservé sa pierre de seuil marquée du côté sud par le gond de la porte. Quelques marches devaient conduire à l’intérieur de la nef. Une autre porte, plus étroite (environ 0,70 m), se dessine dans le mur sud. Celle-ci a dû être obturée lors de la construction de la clôture de chœur dont le développement nord est très bien conservé ainsi que le seuil du passage permettant l’accès à l’autel ; de l’extension sud, il ne reste qu’une assise de fondation. L’autel, légèrement décentré, est fait de trois dalles de granit dressées, la partie antérieure étant fermée de dalles soigneusement appareillées. La table d’autel brisée en six morceaux a été replacée et atteint 1,15 m de longueur sur 0,65 m de large pour une épaisseur de 0,16 m. Il est apparu lors des travaux de dégagement que l’autel reposait sur un sol fait de solide et fin mortier de tuileaux rose dans lequel se profilait les traces d’un massif de maçonnerie, empreinte d’un autel précédent. Toujours dans l’abside, seize claveaux de l’arc absidial ont été identifiés : soigneusement taillés, ils sont soit en tuffeau, soit en granit à grains très fins offrant ainsi des teintes différentes. D’après les études de G. Moracchini-Mazel, ce type d’arc offrant une polychromie serait à situer par comparaison vers le milieu du 11e siècle ; pour assurer leur sauvegarde, ces claveaux ont été maçonnés dans l’angle nord-est de la clôture de chœur. L’édifice comportait au minimum une fenêtre car un fragment d’archivolte a été retrouvé dans les déblais de l’abside.
La cuve baptismale, découverte dans la partie sud-ouest de la nef, est ronde : deux des longues pierres de section circulaire étaient encore en place, deux autres légèrement déplacées ; ces dalles laissent un rebord formant une sorte d’emmarchement. La consolidation effectuée montre une cuve de 0,80 cm d’ouverture pour une profondeur de 0,47 m.
Le sol de la nef était constitué d’une mince couche de terre battue uniformément recouverte d’une couche de cendres noires, ce qui laisse supposer l’existence d’une charpente sans doute recouverte de tuiles car de nombreux fragments étaient mêlés aux éboulis de pierre.
À la lumière des découvertes (deux sols différents, deux autels, porte sud obturée), on peut déduire que l’édifice a connu au moins deux périodes de construction ou de remaniement. Si la seconde pourrait se situer au milieu du 11e siècle, il est difficile de préciser l’époque de la première. Étant donné le grand nombre de fragments de tuiles, G. Moracchini-Mazel serait tentée de penser que la première construction pourrait remonter à l’époque paléochrétienne et aurait succédé à une villa de l’antiquité tardive.
Deltour Ph., Levie Cl., Les édifices romans de la Corse, vol. 1, 2020, p. 39-41
Les églises piévanes de Corse, II, in Cahier Corsica, 1974, n° 36, p. 19-24
Moracchini-Mazel G., 1967, p. 280 ; 2004 p. 234